Для чего эта плата?
Плата устанавливается на печатающую голову 3д принтера, для коммутации через нее всей периферии расположенной на данном узле 3д принтера. Это нагреватель хотенда, термистор, вентиляторы, концевой выключатель оси X как правило на некоторых кубиках, а в редких случаях Y и по необходимости датчик автоматической калибровки уровня стола.
Плата дает возможность быстрой замены данной периферии в случае неисправностей или можно снять целиком печатающую голову с 3д принтера для обслуживания. Также плата актуальна для периодической замены периферии например при тестировании различного железа. Вес платы с разъемами 20 грамм.
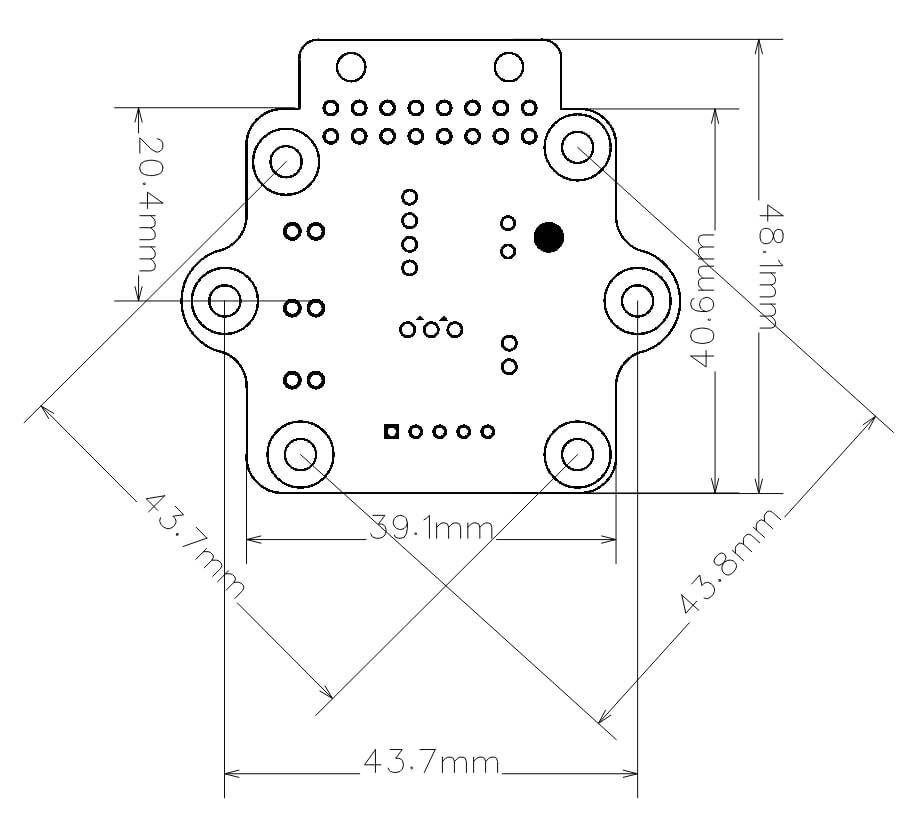
Конструкция платы предусматривает универсальное крепление. Фиксация производится на винтах через отверстия на плате. Возможна установка на фидерах с моторами нема 17 и нема 14 (круглые!). Например, БМГ, титан, титан аэро, Шерпа, шерпа мини, Орбитер, сейлфин и прочие.
Для крепления кроме винтов необходимы нейлоновые проставки длиной 20мм с внутренней резьбой при креплении на фидеры с моторами нема 14, и обычные длиной 5мм для крепления на моторах нема 17. Проставки можно распечатать (скачать модель), при необходимости можно менять их размеры масштабированием в слайсерах.
Для немы 17, можно воспользоваться моделью прокладки/держалки от Алексея Ш. Печатать ее нужно АБСом, так как мотор имеет свойство греться и например ПЛА или ПЕТГ могут размягчаться.
Плата дает возможность быстрой замены данной периферии в случае неисправностей или можно снять целиком печатающую голову с 3д принтера для обслуживания. Также плата актуальна для периодической замены периферии например при тестировании различного железа. Вес платы с разъемами 20 грамм.
Конструкция платы предусматривает универсальное крепление. Фиксация производится на винтах через отверстия на плате. Возможна установка на фидерах с моторами нема 17 и нема 14 (круглые!). Например, БМГ, титан, титан аэро, Шерпа, шерпа мини, Орбитер, сейлфин и прочие.
Для крепления кроме винтов необходимы нейлоновые проставки длиной 20мм с внутренней резьбой при креплении на фидеры с моторами нема 14, и обычные длиной 5мм для крепления на моторах нема 17. Проставки можно распечатать (скачать модель), при необходимости можно менять их размеры масштабированием в слайсерах.
Для немы 17, можно воспользоваться моделью прокладки/держалки от Алексея Ш. Печатать ее нужно АБСом, так как мотор имеет свойство греться и например ПЛА или ПЕТГ могут размягчаться.
Плата универсальна в плане подключения, разъемы периферии стандартные и, например разъем на некоторые нагреватели стандартный, если конечно сам нагреватель идет с таким разъемом., вентиляторы можно заменить ничего не переобжимая и не укорачивая их провода. В общем стандартный подход для удобства эксплуатации, чего не скажешь о некоторых китайских платах где используются разъемы другие и в последующем замена периферии потребует дополнительной работы..
Для подключения платы коммутации к плате управления 3д принтером вы можете приобрести жгут длиной 1,6 или 2 метра.
Для подключения платы коммутации к плате управления 3д принтером вы можете приобрести жгут длиной 1,6 или 2 метра.
Для подготовки жгута самостоятельно потребуются Обжимные клещи
Что бы вы могли «пристроить» плату в своих проектах 3д принтеров и по необходимости смоделировать кронштейны и крепление, можете скачать файлы:
Плата коммутации STEP
Плата коммутации STL
Плата коммутации контур с отверстиями (svg)
Что бы вы могли «пристроить» плату в своих проектах 3д принтеров и по необходимости смоделировать кронштейны и крепление, можете скачать файлы:
Плата коммутации STEP
Плата коммутации STL
Плата коммутации контур с отверстиями (svg)
Изменения/доработки
Версия 2, поправили шелкографию, сделали покрупнее и понятнее надписи. Установка разъема на нагреватель выдерживающего до 5А. Разъем XH для датчика заменен на PLS штырьковый, теперь провода датчика обжимать не нужно.
Версия 2.1 исправление расположения дорожек для более стабильной работы датчиков калибровки.
Версия 2.2 Исправили отверстия для нормального крепления к орбитер-экструдеру до этого плата крепилась ккосо. Добавили индикацию, если так можно выразиться- бортовой сети, 5 и 24 вольта. В некоторых случаях это может помочь при диагностике неисправностей, в связи с чем ценник немного подняли, но если считаете что это лишнее, как прежде доступен вариант без индикации, можете припаять компоненты сами, при должном навыке у вас это получится)..
Уже скоро появится в продаже зеркальный вариант платы, с противоположным расположением разъемов. Он актуален для 3д принтеров без концевых выключателей, работающих с парковкой по sensorless homing, чтобы провода не зажимало между головой и элементами механики, они будут проходить с другой стороны.
Как и ранее, колодки, разъемы, контакты поставляются в комплекте с платой, для установки на стоковый жгут от платы управления.
Однако, как и отмечалось выше, отдельным лотом в нашем интернет магазине можно приобрести жгут стандартной длинны 1,6 метра. Или 2 метра, для «тачек» покрупнее, например для реборна. Основной разъем по каждому пину выдерживает до 5 ампер. Сечения проводников для периферии АВИДЖИ24, для нагревателя АВИДЖИ20. Провода с пвх изоляцией с рабочей температурой до 70 градусов. Жгут Так же подходит для плат проекта БЛК. В комплекте есть необходимые разъемы и контакты.
Во всех случаях установки жгут необходимо закрепить на голове таким образом, чтобы он перегибался по всей своей длине, а не у основания разъема.
Версия 2.1 исправление расположения дорожек для более стабильной работы датчиков калибровки.
Версия 2.2 Исправили отверстия для нормального крепления к орбитер-экструдеру до этого плата крепилась ккосо. Добавили индикацию, если так можно выразиться- бортовой сети, 5 и 24 вольта. В некоторых случаях это может помочь при диагностике неисправностей, в связи с чем ценник немного подняли, но если считаете что это лишнее, как прежде доступен вариант без индикации, можете припаять компоненты сами, при должном навыке у вас это получится)..
Уже скоро появится в продаже зеркальный вариант платы, с противоположным расположением разъемов. Он актуален для 3д принтеров без концевых выключателей, работающих с парковкой по sensorless homing, чтобы провода не зажимало между головой и элементами механики, они будут проходить с другой стороны.
Как и ранее, колодки, разъемы, контакты поставляются в комплекте с платой, для установки на стоковый жгут от платы управления.
Однако, как и отмечалось выше, отдельным лотом в нашем интернет магазине можно приобрести жгут стандартной длинны 1,6 метра. Или 2 метра, для «тачек» покрупнее, например для реборна. Основной разъем по каждому пину выдерживает до 5 ампер. Сечения проводников для периферии АВИДЖИ24, для нагревателя АВИДЖИ20. Провода с пвх изоляцией с рабочей температурой до 70 градусов. Жгут Так же подходит для плат проекта БЛК. В комплекте есть необходимые разъемы и контакты.
Во всех случаях установки жгут необходимо закрепить на голове таким образом, чтобы он перегибался по всей своей длине, а не у основания разъема.
Подключение платы
Через жгут проводов, подготовленный вами, или готовый наш, обжимаете контакты из комплекта для разъемов из комплекта.
И соблюдая распиновку, полярность, ориентируясь на цвета проводников если приобретен и жгут тоже, производится подключение к плате.
Назначение проводников по цветам подобрано максимально логично, какие применяют и производители железа, соблюдены цвета мотора, датчика калибровки, питающих проводников, земли… Меняться может лишь цвет вентиляторов, в связи с неравномерным расходом проводов.
Вызвонить тестером придется только проводники с одинаковой расцветкой, а их здесь не много. Красные на нагреватель не в счет, их легко отличить по сечению, они крупнее. И полярность для нагревателя не имеет значения, поэтому они оба красные.
Почему один вентилятор подключается без проводника +24в? Все просто, +24 вольта для вентиляторов, нагревателей это по сути общий, общая шина, общая линия, постоянная напрямую, либо, может быть через предохранители, но без всяких развязок напрямую от блока питания. А само управление, естественно силовое через мосфеты, производится через минус. Поэтому смысла нет вести на плату второй плюс.
Отсюда многие технари сталкиваются с проблемой при подключении понижаек, ДИСИ-ДИСИ преобразователей когда хочется воткнуть вентиляторы например на 12 вольт. Почему-то все стандартно за управляющий принимают плюс, отсюда либо понижайки горят, либо начинает все работать не так как должно. А нужно то всего лишь на питающий провод к вентиляторам подать пониженное напряжение после преобразователя, подключенного напрямую от блока питания. Естественно отключив этот питающий от выхода платы.
На принтерах, которых не используется концевик Х, и или датчик калибровки, эти проводники можно использовать для какой нибудь подсветки, или кнопок вызова макросов, например загрузки выгрузки филамента. В интернете можно найти как все это настраивается.
И соблюдая распиновку, полярность, ориентируясь на цвета проводников если приобретен и жгут тоже, производится подключение к плате.
Назначение проводников по цветам подобрано максимально логично, какие применяют и производители железа, соблюдены цвета мотора, датчика калибровки, питающих проводников, земли… Меняться может лишь цвет вентиляторов, в связи с неравномерным расходом проводов.
Вызвонить тестером придется только проводники с одинаковой расцветкой, а их здесь не много. Красные на нагреватель не в счет, их легко отличить по сечению, они крупнее. И полярность для нагревателя не имеет значения, поэтому они оба красные.
Почему один вентилятор подключается без проводника +24в? Все просто, +24 вольта для вентиляторов, нагревателей это по сути общий, общая шина, общая линия, постоянная напрямую, либо, может быть через предохранители, но без всяких развязок напрямую от блока питания. А само управление, естественно силовое через мосфеты, производится через минус. Поэтому смысла нет вести на плату второй плюс.
Отсюда многие технари сталкиваются с проблемой при подключении понижаек, ДИСИ-ДИСИ преобразователей когда хочется воткнуть вентиляторы например на 12 вольт. Почему-то все стандартно за управляющий принимают плюс, отсюда либо понижайки горят, либо начинает все работать не так как должно. А нужно то всего лишь на питающий провод к вентиляторам подать пониженное напряжение после преобразователя, подключенного напрямую от блока питания. Естественно отключив этот питающий от выхода платы.
На принтерах, которых не используется концевик Х, и или датчик калибровки, эти проводники можно использовать для какой нибудь подсветки, или кнопок вызова макросов, например загрузки выгрузки филамента. В интернете можно найти как все это настраивается.
Размеры платы